欢迎访问江苏达爱环保机械设备有限公司官方网站!
|
|
网站首页 公司简介 产品展示 售后服务 新闻中心 合作案例 销售网络 联系我们
产品中心
PRODUCT LIST
电加热器设备
  风道加热器
管道加热器
  加热元件
暖风机
  导热油电加..
工业储罐设备
  工业储罐设..
搅拌混合设备
  搅拌罐
搅拌器
水处理设备
  过滤器
除污器
  分集水器、..
加药装置
  加药装置
联系方式
江苏达爱环保机械设备有限公司
联系人:陈经理
手 机:17887339609
邮 箱:jsdaaijx@163.com
网 址:http://www.jsdahb.com
 
 
详细内容    
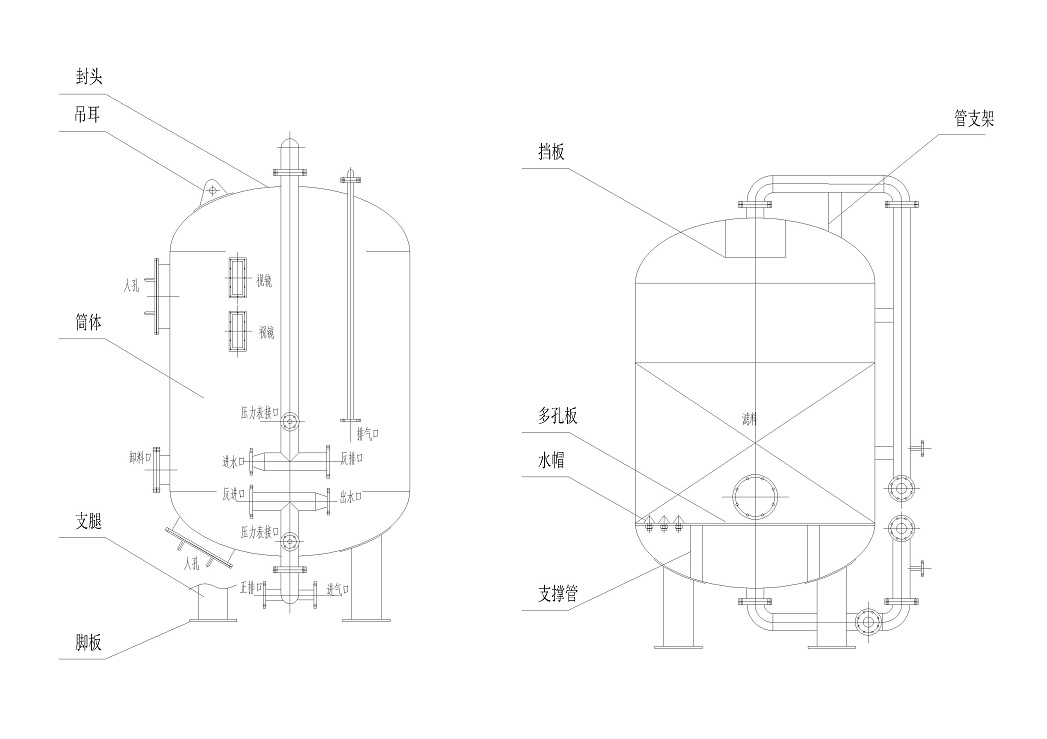
机械过滤器


产品介绍:

结构:上置布水器,下置花板和水帽,中间填充石英砂、活性炭、锰砂、无烟煤、海绵铁、活性氧化铝等其中一种或多种滤料, 去除水中的悬浮物、颜色、臭味、铁离子等杂质,设备主体材质以碳钢、碳钢衬环氧为主,水帽以ABS塑料或不锈钢304、 316L为主。

类型:石英砂过滤器(去除悬浮物、胶体等)、活性炭过滤器(去色除味)、锰砂过滤器(去铁锰)、无烟煤过滤器、多介质过滤器、海绵铁除氧器、活性氧化铝过滤器(除氟)等。

1、石英砂过滤器:它是利用石英砂作为过滤介质,在一定的压力下,把浊度较高的水通过一定厚度的粒状或非粒的石英砂过滤,有效的截留除去水中的悬浮物、有机物、胶质颗粒、微生物、氯、嗅味及部分重金属离子等,最终达到降低水浊度、净化水质效果的一种高效过滤设备。

2、活性炭过滤器:在水质预处理系统中,活性炭过滤器能够吸附前级过滤中无法去除的余氯以防止后级反渗透膜受其氧化降解,同时还吸附从前级泄漏过来的小分子有机物等污染性物质,对水中异味、胶体及色素、重金属离子等有较明显的吸附去除作用,还具有降低COD的作用。

3、锰砂过滤器:是用于机械过滤器以及多介质过滤器是用于净水类设备的前期处理设备,主要作用是去除水中的悬浮物质、固体颗粒、铁离子、锰离子的预处理设备。其材料采用多种材质,如:钢衬胶、钢喷塑及钢环氧防腐、不锈钢等。铁锰含量过高的水一般都利用在催化剂(如锰砂)的作用下将溶解状态的二价铁或二价锰分别氧化成不溶解的三价铁或四价锰的化合物,利用锰砂过滤器的反冲洗功能达到去除净化的目的。

 




打印此页】【关闭窗口】    
版权所有©江苏达爱环保机械设备有限公司 . ALL Rights Reserved . 网 址:http://www.jsdahb.com
联系人:陈经理 手 机:17887339609 邮 箱:jsdaaijx@163.com
备案号:苏ICP备20027256号